PC61P微型系列接触器

您的位置 : 网站首页 > 产品中心 > 主触头一常开直流接触器系列 > PC61P微型系列接触器
PC61P
PC61P
  • PC61P
型号:PC61P微型系列接触器
  • 线圈额定电压(V)

    48V

  • 主触点额定电流(A)

    80A

联系电话:021-55560736
ZJ-50D直流接触器

产品介绍

Product introduction

产品用途
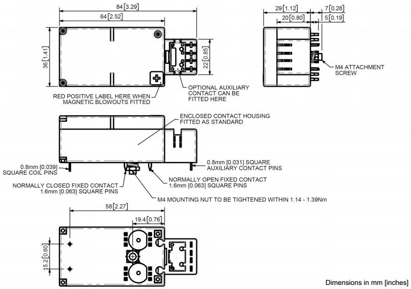
PC61P是一款微型系列单刀双掷接触器,设计用于印刷电路板安装并密封至IP66。设计用于中断和不间断负载,PC61P适用于开关电阻,电容和电感负载。典型应用包括电信,UPS和其他电源转换系统。

PC61P具有带银合金尖端的单刀双断主触点,该触点具有耐焊接性,耐磨损性和导电性能优异。PC61P可以通过M4螺栓固定在印刷电路板上。

注意:
技术数据
线路原理图
外形尺寸图
PC61P是一款微型系列单刀单掷接触器,设计用于印刷电路板安装并密封至IP66。设计用于中断和不间断负载,PC60P适用于开关电阻,电容和电感负载。典型应用包括电信,UPS和其他电源转换系统。
  • 邮  箱:cnhgq@foxmail.com 邮  编:201206
  • 厂  址:上海市曹路钦塘工业园钦塘东南1号 销售地址:上海浦东新区外高桥华申路150号2幢
  • © Copyright JOSEF Inc. All rights reserved.沪ICP备08020013号