CZ18系列直流接触器

您的位置 : 网站首页 > 产品中心 > CZ系列直流接触器 > CZ18系列直流接触器
CZ18
CZ18
  • CZ18
  • CZ18
  • CZ18
型号:CZ18系列直流接触器
  • 额定电压(V)

    440V

  • 额定电流(A)

    ~1000A

联系电话:021-55560736
ZJ-50D直流接触器

产品介绍

Product introduction

产品用途
CZ18系列直流接触器主要供远距离接通或分断直流电压至440V,直流电流至1000A的电力线路之间,并适用于直流电动机的频繁起动、停止以及反转或反接制动。
简要技术数据
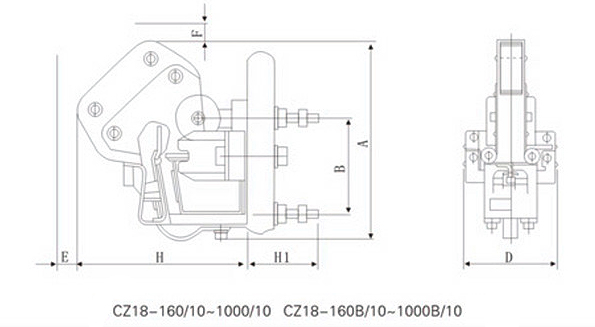
外形尺寸图
CZ18系列直流接触器
  • 邮  箱:cnhgq@foxmail.com 邮  编:201206
  • 厂  址:上海市曹路钦塘工业园钦塘东南1号 销售地址:上海浦东新区外高桥华申路150号2幢
  • © Copyright JOSEF Inc. All rights reserved.沪ICP备08020013号