SW1502直流接触器

您的位置 : 网站首页 > 产品中心 > 主触头多路直流接触器系列 > SW1502直流接触器
SW1502
SW1502
  • SW1502
型号:SW1502直流接触器
  • 线圈额定电压(V)

    60V

  • 主触点额定电流(A)

    1800A

联系电话:021-55560736
ZJ-50D直流接触器

产品介绍

Product introduction

产品用途
SW1502设计用于不间断负载切换的电信和配电应用。这些接触器主要用于直流负载,但也可用于交流电。

SW1502具有双重断裂主触点和银合金尖端,这些尖端具有耐焊接性,耐磨损性和导电性能优异。主触点上的镀银是SW1502的标准配置,但可以选择将其从规范中排除。SW1502可以垂直或水平安装母线,但如果垂直安装,线圈应位于底部。如果顶部需要线圈,我们可以调整接触器来弥补这一点。可选的附加装置包括辅助开关,支架,线圈表面处理和磁性锁定,使接触器保持闭合状态,同时不消耗线圈功率。

技术数据
线路原理图
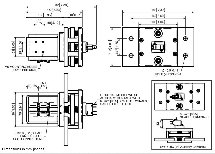
外形尺寸图
SW1502直流接触器
  • 邮  箱:cnhgq@foxmail.com 邮  编:201206
  • 厂  址:上海市曹路钦塘工业园钦塘东南1号 销售地址:上海浦东新区外高桥华申路150号2幢
  • © Copyright JOSEF Inc. All rights reserved.沪ICP备08020013号